名称:带直管弯头的冷推成形方法
专利号:201810824171.4
专利权人:丛华
技术领域
本发明涉及一种冷推成形方法,尤其涉及一种带直管弯头的冷推成形方法。
背景技术
在现有技术中,还没有成熟的带直管弯头的制造方法,而普遍常见的弯头和带直管弯头在所属产业是被定义为两种不同的产品,最常见到制作普通弯头的现有技术有以下几种方式:
第一种方式为旋拔式技术,现有技术的弯管机仅能让成形后的弯头的曲率半径达到接近1.5倍弯头直径的尺寸,且弯头外侧的壁厚减薄率将超过50%,完全不符合国际标准规范的要求。这样的弯头只能应用在低端或是民用的产业领域,而无法应用在工业高要求、军事工业或是运输腐蚀性液体的建设物件。
第二种方式为冷推技术,是将欲制管材通过压力直接推入具有弯道的模具内,管材受到具有弯道的模具的外侧限制,于弯管处的管材会受到具有弯道的模具限制产生变形,即管材进行弯头制造时,于管材内部增加模芯作为限制,使管材变形的状态下,管材向内受到模芯的限制,无法向管内过度变形,而向外变形则受到弯道的限制,管材需要配合模芯结构与外部模具进行塑形限制,使管材的外侧壁厚减薄率尽量减少,以符合规范标准内。上述增加模芯的方式虽然可以解决弯头外侧的壁厚减薄率的问题,但却无法制作造带直管弯头,因为在制作完带有直管弯头后,其弯头内的模芯会卡在直管的部分,而无法自带直管弯头内取出。
第三种为花蕾式内芯,所述花蕾式内芯同样用于90度弯头脱芯用,是将拆分成多个部位的模芯结构先组装,再通过液压方式支撑模芯结构,将欲制管材通过模芯结构与模具进行冷推成形弯头后,再收回模芯结构的液压支撑力,并拆解模芯结构,并依序自弯头内取出模芯结构。但是,以此方式仍然无法制造带直管弯头,而且整体技术与结构太过繁杂,且模芯在脱离弯头过程也令人质疑其可行性,很可能在实际生产时是不可实现的技术。
上述几种现有技术的加工方式都只能制造普通的弯头,并无法制造带有直管的弯头,其原因在于带直管弯头的两端还分别具有相当于管径长度的直管,导致现有技术的模芯在制程完成后无法自带直管弯头内抽芯脱离。
虽然带直管弯头在安装使用上具有明显的方便性和连接方式的选择性,但现有技术还尚未找到既能保证产品外弧减薄率达标,又能顺利抽芯脱模的好方法。
发明内容
为了解决上述问题,本发明提供一种带直管弯头的冷推成形方法,其包含模具与组合式模芯结构,模具具有弯曲通道,组合式模芯结构位于弯曲通道内,组合式模芯结构包含导向件、第一弯头模块、第二弯头模块、第三弯头模块与定形件,其特征在于,带直管弯头的冷推成形方法包括以下步骤:将管材的管口套设于组合式模芯结构的导向件;推动管材向弯曲通道移动;冷推管材套设住整个组合式模芯结构,将管材塑形为带直管弯头,其中管材向内受到组合式模芯结构的限制,管材的外壁向外受到弯曲通道的限制。
拉动导向件,导向件连动第一轴杆沿着第一腰形孔内移动至一端,第一轴杆抵靠第一腰形孔内的一端,第一轴杆带动第一连接杆,第一连接杆的第一固定穿孔带动第一枢转轴,第一枢转轴连动第一弯头模块,第一弯头模块通过第一枢转轴顺着带直管弯头的管道路径枢转,第一弯头模块沿着管道移动,而脱离第三弯头模块与第二弯头模块,自带直管弯头的管道内取出第一弯头模块。
拉动定形件,定形件连动第二轴杆沿着第二腰形孔内移动至一端,第二轴杆抵靠第二腰形孔内的一端,第二轴杆带动第二连接杆,第二连接杆的第二固定穿孔带动第二枢转轴,第二枢转轴连动第二弯头模块,第二弯头模块通过第二枢转轴顺着带直管弯头的管道路径枢转,第二弯头模块沿着管道移动,而脱离第三弯头模块,自带直管弯头的管道内取出第二弯头模块;以及取出带直管弯头的管道内的第三弯头模块。
本发明的组合式模芯结构具有易于组合与拆解,组合式模芯结构是用于冷推制造带有直管的弯头,管材通过组合式模芯结构与模具制成带有直管的弯头。此部分带直管弯头模芯的弯曲部份的外形并不受到直管角度上的限制,即弯曲部分的外形不会因为弯曲角度而受到的限制而卡在直管的管内,可以顺利脱出直管的管道。如此将组合式模芯结构以简单机械结构方式分块脱离带有直管的弯头,以完成带直管弯头的完整制程。本发明带直管弯头的冷推成形方法能够简单化冷推成形带直管弯头的制作流程。
附图说明
此处所说明的附图用来提供对本发明的进一步理解,构成本发明的一部分,本发明的示意性实施方式及其说明用于解释本发明,并不构成对本发明的不当限定。在附图中:
图1其为本发明的用于冷推成形带直管弯头的组合式模芯结构的立体图。
图2其为本发明的用于冷推成形带直管弯头的组合式模芯结构的分解示意图。
图3其为本发明的用于冷推成形带直管弯头的组合式模芯结构的组合示意图。
图4其为本发明的具有组合式模芯结构的带直管弯头冷成形设备的示意图。
图5其为本发明的带直管弯头的冷推成形方法的制造步骤流程图一。
图6其为本发明的带直管弯头的冷推成形方法的制造步骤流程图二。
图7其为本发明的带直管弯头的冷推成形方法的制造过程示意图一。
图8其为本发明的带直管弯头的冷推成形方法的制造过程示意图二。
图9其为本发明的带直管弯头的冷推成形方法的制造过程示意图三。
图10其为本发明的带直管弯头的冷推成形方法的制造过程示意图四。
图11其为本发明的带直管弯头的冷推成形方法的制造过程示意图五。
图12其为本发明的带直管弯头的冷推成形方法的制造过程示意图六。
图13其为本发明的带直管弯头的冷推成形方法的制造过程示意图七。
图14其为本发明的带直管弯头的冷推成形方法的制造过程示意图八。
图15其为本发明的带直管弯头的冷推成形方法的制造过程示意图九。
图16其为本发明的带直管弯头的冷推成形方法的制造过程示意图十。
具体实施方式
以下将以图式揭露本发明的多个实施方式,为明确说明起见,许多实务上的细节将在以下叙述中一并说明。然而,应了解到,这些实务上的细节不应用以限制本发明。也就是说,在本发明的部分实施方式中,这些实务上的细节是非必要的。此外,为简化图式起见,一些现有惯用的结构与组件在图式中将以简单的示意的方式绘示的。
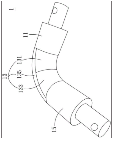
请参阅图1,其为本发明的用于冷推成形带直管弯头的组合式模芯结构的立体图。如图所示,本实施方式提供一种用于冷推成形带直管弯头的组合式模芯结构1。组合式模芯结构1于组合状态下作为管材进行冷推成形的模具。于管材冷推成形完成后,组合式模芯结构1又能够通过简单的机械结构于带直管弯头的管内进行拆解,并且使拆解后的组合式模芯结构1能分块脱离带直管弯头,如此完成冷推成形带直管弯头的制程。
请参阅图2与图3,其为本发明的用于冷推成形带直管弯头的组合式模芯结构的分解示意图与组合示意图。于本实施例中,用于冷推成形带直管弯头的组合式模芯结构1包括导向直管段11、弯头段13与定形段15。导向直管段11具有导向件111、第一连接杆113与第一轴杆115,导向件111的一端具有第一凹槽110,第一轴杆115的两端固定于第一凹槽110内的上下两内侧壁,第一连接杆113具有第一腰形孔1131与第一固定穿孔1133,第一腰形孔1131与第一固定穿孔1133分别位于第一连接杆113的两端,第一腰形孔1131的腰形长度大于第一固定穿孔1133的孔径。第一连接杆113位于第一凹槽110,第一轴杆115穿设第一连接杆113的第一腰形孔1131,第一轴杆115沿着第一腰形孔1131内往复位移。其中第一连接杆113可为圆柱形、扁形或链形,其作为导向件111与第一弯头模块131的连结结构。
弯头段13具有第一弯头模块131、第二弯头模块133与第三弯头模块135,第一弯头模块131的一端贴合第二弯头模块133的一端,第一弯头模块131与第二弯头模块133贴合于第三弯头模块135的同一侧,第一弯头模块131、第二弯头模块133与第三弯头模块135组成具有弯曲度的模芯。第一弯头模块131的另一端具有第一枢转轴1311与第一凹口1313,第一枢转轴1311的两端固定于第一凹口1313内的上下两内侧壁,第一枢转轴1311穿设第一连接杆113的固定穿孔1133,第一连接杆113相对于第一弯头模块131枢转,第二弯头模块133的另一端具有第二枢转轴1331与第二凹口1333,第二枢转轴1331的两端固定于第二凹口1333内的上下两内侧壁。其中第一弯头模块131的一端具有第一定位缺口1312,第二弯头模块133的一端具有第二定位缺口1332,第一定位缺口1312与第二定位缺口1332组合成定位槽130,第三弯头模块135中部具有定位销132,定位销132嵌合于定位槽130,如此有助于第一弯头模块131、第二弯头模块133与第三弯头模块135间的互相贴合固定。
定形段15具有定形件151、第二连接杆153与第二轴杆155,定形件151的一端具有第二凹槽150,第二轴杆155的两端固定于第二凹槽150内的上下两内侧壁,第二连接杆153具有第二腰形孔1531与第二固定穿孔1533,第二腰形孔1531与第二固定穿孔1533分别位于第二连接杆153的两端,第二腰形孔1531的腰形长度大于第二固定穿孔1533的孔径。第二连接杆153位于第二凹槽150,第二轴杆155穿设第二连接杆153的第二腰形孔1531,第二轴杆155沿着第二腰形孔1531内往复位移,第二弯头模块133的第二枢转轴1331穿设第二固定穿孔1133,第二连接杆153相对于第二弯头模块133枢转。
于本实施方式中,导向直管段11的一端具有第一凹肩121,第一弯头模块131与第三弯头模块135的共同一端具有第一凸肩141,第一凹肩121与第一凸肩141互相嵌合,如此导向直管段11与弯头段13互相结合。第一凸肩141的凸部的长度略小于第一凹肩121的凹部的深度,凸部的长度小于第一轴杆115沿着第一腰形孔1131内可位移的距离d1,如此导向件111的第一轴杆115先沿着第一腰形孔1131内位移距离d1后,第一凸肩141与第一凹肩121已完全脱离,所以第一轴杆115的第一固定出孔1133拉动第一枢转轴1311或相对于枢转第一枢转轴1311,上述作动方式不受到第一弯头模块131的第一凸肩141的影响。再者,第二弯头模块133与第三弯头模块135的共同一端具有第二凸肩143,定形件15的一端具有第二凹肩161,第二凸肩143与第二凹肩161互相嵌合,如此定形段15与弯头段13互相结合。第二凸肩143的凸部的长度略小于第二凹肩161的凹部的深度,凸部的长度小于第二轴杆155沿着第二腰形孔1531内可位移的距离d2。此结构的连动关系相同于前段所述的第一腰形孔1131、第一凸肩141与第一凹肩121的关系,如此定形件151通过第二连接杆153相对于第二弯头模块133枢转时,其并不受到第二弯头模块133的第二凸肩143的影响。值得说明的是,第一凸肩141与第二凸肩143的截面高度是大于组合式模芯结构1的半圆高度,且第一凸肩141与第二凸肩143的圆稍端截面高度是小于或等于组合式模芯结构1的半圆高度,如此在第一弯头模块131或第二弯头模块133自成形后的带直管弯头内拉出时才不会与带直管弯头的壁面产生干涉。
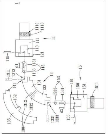
请参阅图4,其为本发明的具有组合式模芯结构的带直管弯头冷成形设备的示意图。如图所示,于本实施例中,带直管弯头冷成形设备2用于对管材3进行带直管弯头的冷推成形。带直管弯头冷成形设备2具有组合式模芯结构1。带直管弯头冷成形设备2更包括第一模座17、第二模座19、第一动力模组21与第二动力模组23。第一模座17具有第一模具槽道170,第一模具槽道170具有弯曲度。第二模座19位于第一模座17上方,第二模座19具有第二模具槽道190,第二模具槽道190对应于第一模具槽道170,第二模具槽道190相同于第一模具槽道170,第二模具槽道190与第一模具槽道170结合成的弯曲通道18,其中弯曲通道18的弯曲度为90度到小于180度的角度范围内(此弯曲角度指的是通道夹角),换言之,弯曲通道18的弯曲角度是由直线通道弯曲于90度内的角度。组合式模芯结构1的弯曲度匹配弯曲通道18的弯曲度。组合式模芯结构1的外径需要小于管材3的内径,如此弯曲通道18的通道内壁相距于组合式模芯结构1的外壁的间隙距离则大于管材3冷推成形带直管弯头的管壁厚度。其中第一动力模组21与第二动力模组23为提供管材31压力进行塑形的装置,例如油压缸或其他机械动力。
于本实施例中,第一模座17与第二模座19组合成带直管弯头冷成形设备的外形模具20。第一模座17包括第一夹具171与第一模具173,第一模具173设置于第一夹具171,其中第一模具173包括第一模块172,第一模块172的底面與工作台面定位並固定,第一模块172具有第一模具槽道170与多个第一定位结构174,多个第一定位结构174位于第一模具槽道170的周围。第一夹具171包括第一座体1711、多个第一沟槽1713与多个第一固定件1715,多个第一沟槽1713位于第一座体1711承载第一模块172的表面,多个第一固定件1715设置于多个第一沟槽1713,第一模具173更包括第一侧凹槽1731,第一侧凹槽1731位于第一模块172的侧面,多个第一固定件1715卡固住第一侧凹槽1731。
承上所述,第二模座19包括第二夹具191与第二模具193,第二模具193设置于第二夹具191,其中第二模具193包括第二模块192,第二模块192具有第二模具槽道190与多个第二定位结构194,多个第二定位结构194位于第二模具槽道190的周围。第二夹具191包括第二座体1911、多个第二沟槽1913与多个第二固定件1915,多个第二沟槽1913位于第二座体1911承载第二模块192的表面,多个第二固定件1915设置于多个第二沟槽1913,第二模具193更包括第二侧凹槽1931,第二侧凹槽1931位于第二模块192的侧面,多个第二固定件1915卡固住第二侧凹槽1931。如此第二模具193组合于第一模具173,第一模块172的多个第一定位结构174与第二模块192的多个第二定位结构194互相嵌合。
请复参阅图2,于本实施例中,组合式模芯结构1位于弯曲通道18内。其中组合式模芯结构1的导向件111的凸端具有穿孔1110,弹性销1113位于凸端内,并且一部分的弹性销1113凸伸出穿孔1110的孔口。组合式模芯结构1的定形件151的另一端具有定位杆1511。为了方便表现弹性销1113的作动,因此在图示中将弹性销1113调整为水平设置,实际上为了方便操作,弹性销1113是垂直设置在导向件111中。
第一动力模组21位于弯曲通道18的一端,第一动力模组21具有第一驱动件211与推杆213,推杆213的一端连接于第一驱动件211,推杆213的另一端具有接纳孔210,接纳孔210的孔口周围为推部212,接纳孔210的内壁由外而内依序具有推面214与固定槽216。第二动力模组23位于弯曲通道18的另一端,第二动力模组23具有第二驱动件231与固定件233,固定件233的一端连接于第二驱动件231,固定件233的另一端固定定位杆1511的一端,并定位杆1511用于固定弯头段与导向直管段的位置,换言之,固定组合式模芯结构1位于弯曲通道18内的位置。
请参阅图5到图16,其为本发明的带直管弯头的冷推成形方法的的制造步骤流程图一与二以及制造过程示意图一到十。如图所示,于实施方式中,先取管材3,管材3具有管道31,管道31的两端分别为第一管口311与第二管口313,其中管材3的第一管口311与第二管口313皆为斜面。
请参阅图7,将管材3的第一管口311的管口面抵接于推杆213的另一端的推部212,并将第一管口311向外凸出的倾斜端作为欲制带有直管弯头的外侧,如此将管材3进行弯折时,管材3受到弯折处的内侧向外侧延展的材料补偿作用,其中推部212的外径小于弯曲通道18的通道内径,并且弯曲通道18的通道内径等于或大于管材3的直径,如此推杆213可抵推管材3,并且推杆213与管材3一并进入于弯曲通道18内。
请参阅图7与图8,于步骤S11:将管材3的管口套设于组合式模芯结构1的导向件111。于本实施方式中,第二管口313套设于导向件111,管材3的管口内径接近于组合式模芯结构1的外径。
于步骤S13:推动管材3向弯曲通道18移动。于本实施方式中,第一动力模组21驱动推杆213,推杆213的推部212推动管材3套设于组合式模芯结构1进行塑形,并管材3向弯曲通道18内移动。
请参阅图9,于步骤S15:冷推管材3套设住整个组合式模芯结构1,将管材3塑形为带直管弯头,其中管材3进行冷推成形的过程中,管材3向内受到组合式模芯结构1的限制,管材3的外壁向外受到弯曲通道18的限制,导致管材3被组合式模芯结构1和弯曲通道18的导向均匀的弯曲延伸。推杆213的接纳孔210套设导向件111的凸端,导向件111的凸端的外径小于推杆213的推端的接纳孔210的孔径,弹性销1113位于推面214与固定槽216的移动路径,移动推面214压缩弹性销1113,推面214为斜面,弹性销1113受到推面214渐进式的压缩方式。其中弹性销1113可为弹簧,熟悉此项技术者,可依照实际需求选择最适合的结构,并不以本实施方式所列举的结构为限。
请参阅图10,移动推面214压缩弹性销1113,直到固定槽216对应于弹性销1113,弹性销1113伸展固定于固定槽216内,管材3被推动至完全套设组合式模芯结构1,管材3冷推成形带直管弯头4。
请参阅图11,进行步骤S17:导向直管段11朝向远离弯头段13的方向移动,第一动力模组21拉动推杆213,推杆213通过固定槽216与弹性销1113的固定关系而带动导向件111移动,导向件111连动第一轴杆115沿着第一腰形孔1131内移动至一端,第一轴杆115抵靠第一腰形孔1131内的一端。
请参阅图12,第一轴杆115带动第一连接杆113,第一连接杆113的第一固定穿孔1133带动第一枢转轴1311,第一枢转轴1311连动第一弯头模块131。第一弯头模块131为贴合于管材3的弯曲段管道31内壁的部份组合式模芯结构1,第一弯头模块131的内侧具有贴合管道31的弯曲面。当第一弯头模块131受到第一枢转轴1311拉动时,使第一弯头模块131内侧的弯曲面从贴合于弯曲管道31的内壁移动于直线管道31的内壁,于此同时,第一弯头模块131移动至直线管道31,则表示第一弯头模块131的另一端脱离第二弯头模块133,第一弯头模块131的外侧已经脱离第三弯头模块135。由于第一弯头模块131内侧的弯曲面无法完全贴合于直线管道31的内壁,则第一弯头模块131通过第一枢转轴1311顺着带直管弯头4的管道41路径的内壁枢转,第一弯头模块131的内侧弯曲面以不贴合的方式抵靠在直线管道31的内壁,第一弯头模块131的外侧因为不受到第三弯头模块135的限制,也可容纳第一弯头模块131的内侧弯曲面因为无法贴合管道31内壁而有多出体积的部份,如此情况下,第一弯头模块131沿着管道41移动,而脱离第二弯头模块133与第三弯头模块135。
请参阅图13,自带直管弯头4的管道41内取出第一弯头模块131。另外,推杆213的固定槽216的槽底更具有退销孔2161。退销孔2161贯通推杆213外壁。使用者可通过退销棒(如管状物或棒状物)一端穿设退销孔2161,并抵压弹性销1113,使弹性销1113被压缩,而退出固定槽216后,则推杆213与导向件111间不受到限制,再将推杆213与导向件111脱开。
请参阅图14,进行步骤S19:定形段15朝向远离弯头段13的方向移动,第二动力模组23拉动固定件233,固定件233通过定位杆1511而带动定形件151移动,定形件151连动第二轴杆155沿着第二腰形孔1531内移动至一端,定形件151连动第二轴杆155沿着第二腰形孔1531内移动至一端,第二轴杆155抵靠第二腰形孔1531内的一端。
请参阅图15,第二轴杆155带动第二连接杆153,第二连接杆153的第二固定穿孔1133带动第二枢转轴1331,第二枢转轴1331连动第二弯头模块133。第二弯头模块133为贴合于管材3的弯曲段管道31内壁的部份组合式模芯结构1,第二弯头模块133的内侧具有贴合管道31的弯曲面。当第二弯头模块133受到第二枢转轴1331拉动时,使第二弯头模块133内侧的弯曲面从贴合于弯曲管道31的内壁移动于直线管道31的内壁,于此同时,第二弯头模块133移动至直线管道31,则表示第二弯头模块133的外侧已经脱离第三弯头模块135。由于第一弯头模块131内侧的弯曲面无法完全贴合于直线管道31的内壁,则第二弯头模块133通过第二枢转轴1331顺着带直管弯头4的管道41路径的内壁枢转,第二弯头模块133的内侧弯曲面以不贴合的方式抵靠在直线管道31的内壁,第二弯头模块133的外侧因为不受到第三弯头模块135的限制,也可容纳第二弯头模块133的内侧弯曲面因为无法贴合管道31内壁而有多出体积的部份,如此情况下,第二弯头模块133沿着管道41移动,而脱离第三弯头模块135。请参阅图14,自带直管弯头4的管道41内取出第二弯头模块133。
请参阅图16,进行步骤S21:取出带直管弯头4的管道41内的第三弯头模块135。如此可取得完整带直管弯头4的结构。
请复参阅图4,于本实施方式中,具有组合式模芯结构1的带直管弯头冷成形设备更包含第三动力模组25,第三动力模组25位于弯曲通道18的一侧。第三动力模组25的结构与功效相同于第二动力模组23。当需要成形45度角或30度角的带直管弯头时,只需将第一模具193的第一模块172进行更换成第三模块,将第三模块固定于第一夹具171,第三模块具有第三模具槽道与多个第三定位结构,多个第三定位结构位于第三模具槽道的周围,第三模具槽道的弯曲度不同于第一模具槽道170的弯曲度。第二模具193的第二模块192也同样进行对应更换成第四模块,将第四模块固定于第二夹具191,第四模块具有第四模具槽道与多个第四定位结构,多个第四定位结构位于第四模具槽道的周围,第四模具槽道的弯曲度相同于第三模具槽道的弯曲度。多个第三定位结构与多个第四定位结构互相嵌合,第三模具槽道结合于第四模具槽道结合成的另一弯曲通道,其中另一弯曲通道的弯曲度为大于90度到小于180度的角度范围内(此弯曲角度指的是通道夹角),换言之,另一弯曲通道的弯曲角度是由直线通道弯曲小于90度的角度内。组合式模芯结构1的弯曲度匹配另一弯曲通道的弯曲度。
于本实施方式中,此另一弯曲通道的弯曲角度未超过90度,即当直线通道弯曲30度或45度的情况下,组合式模芯结构1的弯头段13部分可由对称的二个弯头模块替换第一弯头模块131、第二弯头模块133与第三弯头模块135作为模芯,其因为对称的二个弯头模块的弯曲部份的外形并不受到直管角度上的限制,即弯曲部分的外形不会因为弯曲角度而受到的限制而卡在直管的管内,可以顺利脱出直管的管道,其中对称的模块的两个外侧两端分别组合于导向直管段11的一端与定形段15的一端,而对称的模块的两端对应于导向直管段11与定形段15的两端各别为凸肩与凹肩的组合结构,于此不在赘述。
承上所述,第三动力模组25位于另一弯曲通道的一端,第二动力模组23位于另一弯曲通道的另一端,再更换对应于另一弯曲通道的组合式模芯结构后,上述结构组装后,可将管材3弯折成另一角度的带有直管的弯头。于本实施方式中,依据管材3欲制的弯曲度挑选匹配模块的弯曲通道与组合式模芯结构。第三动力模组25也依据弯曲通道的一端的位置进行配置。
综上所述,本实施方式提供一种用于冷推成形带直管弯头的组合式模芯结构,组合式模芯结构包括导向件、第一弯头模块、第二弯头模块、第三弯头模块与定形件。组合式模芯结构位于弯曲通道内。将欲制管材的管口套设组合式模芯结构的导向件,将管材以冷推方式推入弯曲通道内,管材的弯曲度与管壁厚度受到组合式模芯结构的外壁与弯曲通道的内壁限制,管材被塑形成带直管弯头,此带直管弯头的弯曲段内侧向外侧延展,而外弧减薄率不超过10%左右。
将带直管弯头内的组合式模芯结构进行拆解,其通过简单的机械结构拉出第一弯头模块,第一弯头模块的侧面贴合于带直管弯头的内壁,当第一弯头模块的内侧面由贴合的带直管弯头内壁移动至不贴合的直管内壁,同时第一弯头模块的外侧不再受到第三弯头模块的限制,第一弯头模块的内侧因为不贴合管壁而多出的体积,也可因为第一弯头模块的外侧不具有第三弯头模块的限制,而可多容纳第一弯头模块多出的体积。如此第一弯头模块的弯曲部份的外形并不受到直管角度上的限制,即弯曲部分的外形不会因为弯曲角度而受到的限制而卡在直管的管内,可以顺利脱出直管的管道,第二弯头模块相同于第一弯头模块故,不再赘述。如此将组合式模芯结构以简单机械结构方式分块脱离带有直管的弯头,以完成带直管弯头的完整制程。本发明能够简单化冷推成形带直管弯头的制作流程。
上述说明示出并描述了本发明的若干优选实施方式,但如前所述,应当理解本发明并非局限于本文所披露的形式,不应看作是对其他实施方式的排除,而可用于各种其他组合、修改和环境,并能够在本文所述发明构想范围内,通过上述教导或相关领域的技术或知识进行改动。而本领域人员所进行的改动和变化不脱离本发明的精神和范围,则都应在本发明所附权利要求的保护范围内。




