名称:车用蒸汽发生装置和包括其的发动机废气余热再利用系统
专利号:202421354465.2
专利人: 张柏厚
技术领域
本实用新型属于汽车领域,更具体地,涉及车用蒸汽发生装置和包括其的发动机废气余热再利用系统。
背景技术
排气系统是指收集并且排放废气的系统,其主要由排气歧管、排气管、三元催化器、谐振器、消声器等部件组成,排气管一般包括前排气管和后排气管(排气尾管)。汽车排气系统主要有以下作用:①将废气引到车尾排放,防止有害气体进入驾驶室。②改善发动机的排放污染,减少对大气的危害。③降低发动机排放废气的噪声。
为增加发动机的进气量,从而增加发动机的功率和扭矩,使汽车更具活力,有些汽车安装了废气涡轮增压器,其是利用内燃机排气能量驱动废气涡轮增压器实现发动机增压的方法。废气涡轮增压器(简称涡轮增压器)主要由涡轮机和压缩机两个主要部件,以及轴和轴承、润滑系统、冷却系统、密封件、隔热装置等组成。发动机气缸排出的高温高速的废气,经排气管供入涡轮增压器的涡轮机,推动涡轮旋转,涡轮再带动与它同轴的压缩机的叶轮旋转,压缩机将吸入的空气压缩,提高了压力的空气供入发动机的气缸,从而达到增压的目的。
发动机排至排气歧管的温度约800℃-900℃,前排气管内的温度约600℃-700℃,进入涡轮增压器的涡轮壳内的温度约为600℃-650℃,排气管上的消声器中的温度有所下降基本上在200℃-300℃,在尾段消声器的温度约在150℃。
对于汽车的排气系统内的高温,一般是通过排气管的迂回和曲折的通路,不断降温,使得排气管内的高温的热量未得到足够的应用,热量直接排放到空气中了,造成能量浪费。此外,排气歧管,以及涡轮增压器(如果汽车上有安装)内的热量也浪费掉了。
实用新型内容
针对现有技术的以上缺陷或改进需求,本实用新型提供了车用蒸汽发生装置和包括其的发动机废气余热再利用系统,其通过水泵A向汽车的排气管内抽入水来产生蒸汽,从而可利用蒸汽做功,提高了能量的利用率。
为实现上述目的,按照本实用新型的一个方面,提供了车用蒸汽发生装置,其特征在于,包括储水箱、水泵A和双层排气管,其中:
所述双层排气管包括具有排气通道的排气内管和套接在所述排气内管上的排水外管,所述排水外管的两端分别与所述排气内管密封连接,所述排水外管与排气内管之间的空间形成第一通道,所述排水外管上设置有第一入口和第一出口,所述第一入口和第一出口分别与所述第一通道连通;
所述储水箱连接所述水泵A,所述水泵A通过水泵连接管连接所述排水外管的第一入口,并且所述水泵连接管上安装有至少一个单向阀A,以让所述水泵A抽出的水进入所述第一通道内产生蒸汽。
优选地,还包括双层排气歧管,所述双层排气歧管包括具有排气通道的排气歧管内管和套接在所述排气歧管内管上的排气歧管外管,所述排气歧管外管的每个端部分别与所述排气歧管内管密封连接,所述排气歧管外管与所述排气歧管内管之间的空间形成第二通道,并且:
所述排气歧管内管具有内主管和用于与发动机相连的N个内分支管,每个所述内分支管分别与所述内主管相连,所述排气歧管外管具有外主管和分别与所述外主管相连的N个外分支管,所述外主管的位置与内主管的位置对应,每个外分支管的位置分别与一个内分支管的位置对应,所述外主管上设置有第二入口,每根外分支管上分别设置有一个第二出口,所述第二入口和每个第二出口分别与所述第二通道连通,所述第二入口连接所述第一出口。
优选地,还包括涡轮增压器的涡轮机壳,所述涡轮机壳包括用于排气的涡轮机内壳和与套接在所述涡轮机内壳上并与所述涡轮机内壳密封连接的涡轮机外壳,所述涡轮机外壳与所述涡轮机内壳之间的空间形成第三通道,所述涡轮机外壳上设置有与所述第三通道连通的第三入口和第三出口,所述第三入口连接所述第一出口。
优选地,所述水泵连接管上还安装有泵蓄能器和电磁阀。
按照本实用新型的另一个方面,还提供了发动机废气余热再利用系统,包括所述的车用蒸汽发生装置,其特征在于,所述车用蒸汽发生装置依次连接汽水分离器、蒸汽轮机、发电机和蒸汽散热器,所述蒸汽散热器的出水口通过回水管连接所述储水箱。
优选地,所述汽水分离器的底部安装有水位感应器A。
优选地,还包括消声器支路,所述消声器支路包括消声器、水回收箱和水泵B,所述排气内管连接所述消声器,所述消声器的出水口依次连接所述水回收箱、水泵B和所述储水箱。
优选地,所述水回收箱的容量为V1,在所述水回收箱内的水的容量为处安装有水位感应器B,在所述水回收箱的底部安装有水位感应器C。
优选地,还包括空调冷凝器支路,所述空调冷凝器支路包括三通、单向阀B、水泵C、水收集箱和空调冷凝器,所述回水管包括管段A和管段B,所述三通的三个管口分别连接所述单向阀B的出水口、所述管段A和所述管段B,所述管段B连接所述储水箱,所述单向阀B的入水口连接所述水泵C,所述水泵C依次连接所述水收集箱和空调冷凝器。
优选地,所述水收集箱的容量为V2,在所述水收集箱内的水的容量为处安装有水位感应器D,在所述水收集箱的底部安装有水位感应器E。
总体而言,通过本实用新型所构思的以上技术方案与现有技术相比,能够取得下列有益效果:
1)本实用新型的车用蒸汽发生装置,水泵可将储水箱内的水抽入第一通道内,并利用排气内管中的废气的高温来让第一通道内的热水产生蒸汽,后续可利用产生的蒸汽来做功,从而可利用废气的热量,提高能量的利用率。
2)本实用新型的车用蒸汽发生装置,排气管的第一通道内的热水可再流入排气歧管的第二通道内继续产生更多的蒸汽,从而可利用更多的蒸汽来做功,利用了更多的热能。
3)本实用新型的车用蒸汽发生装置,排气管的第一通道内的热水可再流入涡轮机壳的第三通道内继续产生更多的蒸汽,从而可利用更多的蒸汽来做功,利用了更多的热能。
4)本实用新型的发动机废气余热再利用系统,利用汽水分离器来分离蒸汽和水,提高流出的蒸汽质量,并利用蒸汽来推动蒸汽轮机工作,让发电机发电,将热能转变为电能输出,而且蒸汽散热器进行散热降温后,可让冷却的水再次回到储水箱内进行水循环,提高水的利用率,节约资源。
附图说明
图1是本实用新型中车用蒸汽发生装置的示意图;
图2是本实用新型中排气管的示意图;
图3是本实用新型中排气歧管的示意图;
图4是本实用新型中涡轮机壳的示意图;
图5是本实用新型中发动机废气余热再利用系统的示意图。
具体实施方式
为了使本实用新型的目的、技术方案及优点更加清楚明白,以下结合附图及实施例,对本实用新型进行进一步详细说明。应当理解,此处所描述的具体实施例仅仅用以解释本实用新型,并不用于限定本实用新型。此外,下面所描述的本实用新型各个实施方式中所涉及到的技术特征只要彼此之间未构成冲突就可以相互组合。
参照图1、图2,按照本实用新型的一个方面,提供了车用蒸汽发生装置,包括储水箱1、水泵A2和双层排气管3,其中:
所述双层排气管3包括具有排气通道的排气内管31和套接在所述排气内管31上的排水外管32,所述排水外管32的两端分别与所述排气内管31密封连接,所述排水外管32与排气内管31之间的空间形成第一通道33,所述排水外管32上设置有第一入口34和第一出口35,所述第一入口34和第一出口35分别与所述第一通道33连通。排气内管31与现有的排气管结构一致,只是在现有的排气管结构外增设了一根排水外管32,从而组成本实用新型的双层排气管3。双层排气管3可通过3D打印技术制造成型。储水箱1、水泵A2等为汽车上新装的零件。排气内管31的内壁上优选还布置有多根第一吸热片,每根第一吸热片的材质与排气内管31的材质一致,每根第一吸热片的延伸方向分别与排气内管31的延伸方向一致。
所述储水箱1连接所述水泵A2,所述水泵A2通过水泵连接管4连接所述排水外管32的第一入口34,并且所述水泵连接管4上安装有至少一个单向阀A5,以让所述水泵A2抽出的水进入所述第一通道33内产生蒸汽。所述水泵连接管4上还安装有泵蓄能器9和电磁阀8,并且单向阀A5优选有多个,电磁阀8位于这些单向阀A5之间,单向阀A5允许水泵A2抽出的水进入第一通道33,而不允许第一通道33内高温高压环境的热水进入水泵A2和储水箱1。由于第一通道33内为高温高压的环境,因此还设置了泵蓄能器9,对水泵A2的运转起辅助作用,可储存能量、消除脉冲。
水泵A2可将储水箱1内的水抽入第一通道33内,依靠排气内管31内部的废气的热量将水加热成热水(如果抽入的水不多,则可加热成沸水),从而可产生蒸汽,从第一出口35排出,蒸汽后续可用于推动蒸汽轮机11做功。如果车用蒸汽发生装置只采用双层排气管3,则第一出口35作为车用蒸汽发生装置的出口。
进一步,参照图3,车用蒸汽发生装置还包括双层排气歧管6,所述双层排气歧管6包括具有排气通道的排气歧管内管和套接在所述排气歧管内管上的排气歧管外管,所述排气歧管外管的每个端部分别与所述排气歧管内管密封连接,所述排气歧管外管与所述排气歧管内管之间的空间形成第二通道65,并且:
所述排气歧管内管具有内主管61和用于与发动机相连的N个内分支管62(一般情况下,N的取值为4,6或8),每个所述内分支管62分别与所述内主管61相连,所述排气歧管外管具有外主管63和分别与所述外主管63相连的N个外分支管64,所述外主管63的位置与内主管61的位置对应,每个外分支管64的位置分别与一个内分支管62的位置对应,所述外主管63上设置有第二入口66,每根外分支管64上分别设置有一个第二出口67,则共有N个第二出口67,所述第二入口66和每个第二出口67分别与所述第二通道65连通,所述第二入口66连接所述第一出口35。每个第二出口67分别作为车用蒸汽发生装置的一个出口。
每个内分支管62的内壁上优选还布置有多根第二吸热片,内主管61的内壁上优选还布置有多根第三吸热片,每根第二吸热片的材质与所在的内分支管62的材质一致,每根第二吸热片的延伸方向分别与所在的内分支管62的延伸方向一致。第三吸热片的材质与内主管61的材质一致,每根第三吸热片的延伸方向分别与内主管61的延伸方向一致。
双层排气管3的第一通道33内的热水可再流入排气歧管的第二通道65内继续产生更多的蒸汽,从而可利用更多的蒸汽来做功,利用了更多的热能。
排气歧管内管与现有的发动机上的排气歧管的结构一致,只是在排气歧管内管的外部设置了一个放大的排气歧管外管,一起组成本实用新型的双层排气歧管6,并且双层排气歧管6的两头封闭,本实用新型的双层排气歧管6可通过3D打印技术制造成型。
进一步,参照图4,车用蒸汽发生装置还包括涡轮增压器的涡轮机壳7(涡轮机的外壳,不是压缩机的外壳),所述涡轮机壳7包括用于排气的涡轮机内壳71和与套接在所述涡轮机内壳71上并与所述涡轮机内壳71密封连接的涡轮机外壳72,所述涡轮机外壳72与所述涡轮机内壳71之间的空间形成第三通道73,所述涡轮机外壳72上设置有与所述第三通道73连通的第三入口74和第三出口75,所述第三入口74连接所述第一出口35。本实用新型的涡轮机内壳71与现有的涡轮机壳(涡轮机的外壳)的结构一致,只是在现有结构的涡轮机壳的外部设置了一个放大的涡轮机外壳72一起组成本实用新型的涡轮机壳7,本实用新型的涡轮机壳7可通过3D打印技术制造成型。第三出口75作为车用蒸汽发生装置的一个出口。
排气外管的第一通道33内的热水可再流入涡轮机壳7的第三通道73内继续产生更多的蒸汽,从而可利用更多的蒸汽来做功,利用了更多的热能。
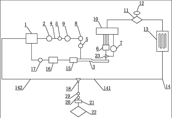
参照图5,按照本实用新型的另一个方面,还提供了发动机废气余热再利用系统,包括所述的车用蒸汽发生装置,所述车用蒸汽发生装置依次连接汽水分离器10、蒸汽轮机11、发电机12和蒸汽散热器13,所述蒸汽散热器13的出水口通过回水管14连接所述储水箱1。
如果双层排气管3的第一出口35直接连接汽水分离器10,则汽水分离器10只设置一个入口即可,汽水分离器10采用常规的汽水分离器的结构即可,双层排气管3的排气内管31优选为温度较高的管段,用于将水加热成沸水产生较多的蒸汽,双层排气管3优选为前排气管。如果双层排气管3的第一通道33内的热水先流入第二通道65和第三通道73,则排气外管的第一出口35可通过三通接头23分别连接第二入口66和第三入口74,一个第三出口75和N个第二出口67分别与汽水分离器10连接,则在汽水分离器10上要设置N+1个入口,汽水分离器10在常规的汽水分离器10的结构基础上,增加N个入口即可,出口依然只有一个。
进一步,所述汽水分离器10的底部安装有水位感应器A,在检测到汽水分离器10内的水位不足时,控制器控制水泵A2加大马力向系统内抽水,以产生足够的热水和蒸汽。
进一步,发动机废气余热再利用系统还包括消声器15支路,所述消声器15支路包括消声器15、水回收箱16和水泵B17,所述排气内管31连接所述消声器15,所述消声器15的出水口依次连接所述水回收箱16、水泵B17和所述储水箱1。消声器15为汽车原有零件,只是其内部产生的水会被回收到水回收箱16内,再通过水泵B17抽入储水箱1内储存,实现水资源再利用。优选地,所述水回收箱16的容量为V1,在所述水回收箱16内的水的容量为处安装有水位感应器B,在所述水回收箱16的底部安装有水位感应器C,如果水位感应器B检测到水回收箱16内的水位过高,则水泵B17可以加大马力向储水箱1内抽水,将水回收箱16内的水多排出一些。如果水位感应器C检测到水回收箱16内的水不足,则水泵B17暂停工作,让水回收箱16内进行蓄水。
进一步,发动机废气余热再利用系统还包括空调冷凝器22支路,所述空调冷凝器22支路包括三通18、单向阀B19、水泵C20、水收集箱21和空调冷凝器22,所述回水管14包括管段A141和管段B142,所述三通18的三个管口分别连接所述单向阀B19的出水口、所述管段A141和所述管段B142,所述管段B142连接所述储水箱1,所述单向阀B19的入水口连接所述水泵C20,所述水泵C20依次连接所述水收集箱21和空调冷凝器22。从蒸汽散热器13排出的水,全部经管段B142排入储水箱1,而从空调冷凝器22排出的水,经水收集箱21、水泵B17、单向阀B19和三通18后,再经管段B142排入储水箱1内。优选地,所述水收集箱21的容量为V2,在所述水收集箱21内的水的容量为处安装有水位感应器D,在所述水收集箱21的底部安装有水位感应器E。如果水位感应器D检测到水回收箱16内的水位过高,则水泵C20可以加大马力向储水箱1内抽水,将水收集箱21内的水多排出一些。如果水位感应器E检测到水回收箱16内的水不足,则水泵C20暂停工作,让水收集箱21内进行蓄水。
本实用新型的车用蒸汽发生装置,对双层排气管3、双层排气歧管6和涡轮机壳7均了做双层设计,吸收发动机废气的热量去产生蒸汽,双层设计后,双层排气管3、双层排气歧管6和涡轮机壳7的外一层上都设计有水管接口供水流通,通道内的水在废气高温的作用反应下产生了蒸汽,蒸汽经过汽水分离器10后经管道送到蒸汽轮机11,蒸汽轮机11驱动发电机12发电,这为增程式电动汽车又增添了一份电能,提高了燃料的利用率,减少高温废气排放,蒸汽轮机11作功后的气体经管道引入蒸汽散热器13,降温后形成了蒸馏水,蒸馏水经管道送入储水箱1被再利用。由于回流的水也进入储水箱1,因此储水箱1上设置有溢流口。此外,储水箱1上还设限压阀和手工加水口。
发动机废气余热再利用系统的工作过程如下:
储水箱1内的水经水泵A2抽至双层排气管3,双层排气管3的水在第一通道33内初步加热成热水后,再经过三通18分为两路,一路流向排气歧管的第二通道65内,一路流向涡轮机壳7的第三通道73内,被废气高温加热,烧沸产生蒸汽,然后蒸汽再经过汽水分离器10出来后进入送至蒸汽轮机11,蒸汽轮机11驱动发电机12发电,蒸汽轮机11做功后排出的水汽经管道送至蒸汽散热器13降温成蒸馏水,蒸馏水经回水管14送回到储水箱1被再利用。
本领域的技术人员容易理解,以上所述仅为本实用新型的较佳实施例而已,并不用以限制本实用新型,凡在本实用新型的精神和原则之内所作的任何修改、等同替换和改进等,均应包含在本实用新型的保护范围之内。




