名称:电动车充电器充满电后能自动断开市电和负载的保护电路
专利号:202410258185.X
专利人: 龚美罡
技术领域
本发明涉及到电动车充电器电路中保护电路的技术。
背景技术
现有电动车充电器,它们都有一个共同的缺陷问题,那就是完成充电任务后,不能及时的自动断开与交流220伏(以下简称市电)和直流电瓶(以下简称负载)的连接,在无人及时拔掉插头的情况下,会长时间的通着市电连着负载,这样就会给充电器和电瓶带来一定的故障隐患。比如:深夜用电量减少,电压就会慢慢升高,导致充电器损坏率升高或电瓶有过充现象等故障出现。
发明内容
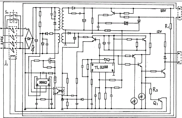
为了解决充电器充完电后不能自动断开市电和负载的技术缺陷问题,本发明提供了一种充电器在充满电后能自动断开市电和负载的保护电路,列举几个例子加以说明(图3、图4只绘出了部分电路,在这里对4幅图上原来的元件不加以说明),解决的方案是:在现有充电器电路的基础上增加一个开关、一个继电器、一个三极管和二个电阻组成的一个保护电路。
此电路的特征是:需用元件少、结构简单、实用性强、安全可靠。各元件的选取和作用:开关采用四路或二路或一路无自锁自还原的按键式或旋转式,作为充电器初始工作的启动开关使用,用S1表示;继电器采用二路或四路线圈电压采用直流12伏或48伏或定制电压,作用是控制市电输入线和负载输出线与电路板的连接和断开,用J1表示;三极管和电阻组成是继电器的控制电路,使触点工作在吸合与断开的状态下,三极管用Q1表示,电阻用R1、R2、R3表示,以上元件的工作参数随机而定。
现有电动车充电器电路分为两种类型,一是无负载连接充电时,集成芯片有启动充电信号电压产生,如图1、图2这类。另一类是在无负载连接充电时,集成芯片没有启动充电信号电压产生,如图3、图4这类,这两种类型的电路分别用不同的方法组合成电路,可以实现充满电瓶后充电器会自动断开与市电输入线和负载输出线的连接。



