名称:一种利用半导体开关特性组成的二进制译码电路
专利号:CN202022692653.4
专利人:李永飞
技术领域
本实用新型涉及译码电路技术领域,具体涉及一种利用半导体开关特性组成的二进制译码电路。
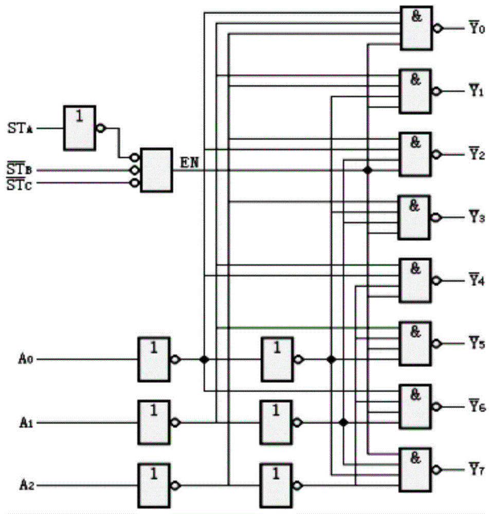
背景技术
处理器在对内存进行读写操作时,需要将地址总线的二进制代码译成相应的输出信号,并以此信号选中存储单元的电路。如图1所示的一种现有的地址译码电路,它有3个输入端8个输出端,输入端A0-A2为二进制代码;输出端Y0-Y7低电平0有效,使能端为0时译码器禁止译码,使能端为1时译码器工作,这时,译码器输出Y0-Y7由输入的二进制代码决定。其缺点是该方案输出端与非门的输入端位数与地址位数相关,增加地址位等于增加输出端与非门的输入端数量,使得输出端与非门所需的元器件增加。


